Insulating tubes

Introduction

Insulating tubes are used for the insulation of tie rods in horizontal clamping or for the insulation of clamping screws in small elements, where bushes cannot be used.

Table fields (Insulating tubes)

  • Code: this code is useful for possible sub-families. The TUI code should currently be used for the standard tubes.
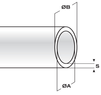
  • Thickness: material thickness "S" (value to be retrieved from supplier's tables). This value can be omitted.
  • External diameter: it is the external diameter of the tube "B".
  • Internal diameter: it is the internal diameter of the tube "A".
  • Material: material abbreviation. By opening the drop-down menu of the Material field, you see a list of all available materials and can choose the correct abbreviation.
  • Dimension M: M dimension of the tie rod that can fit there.
  • Article: to select the material, use the article code of your management system. This value will allow the applications to retrieve the description and unit cost into the table Material Unit Cost by importing the list of materials available in your warehouse.