Insulating bushes

Introduction

Insulating bushes are used in Clever Small-T and Clever Small-I applications for insulating screws in horizontal clamping of the elements. They can be replaced by insulating tubes if required. Several fields included in the table are currently not operational. Hence, must have a value of 0.

Table fields (insulating bushes)

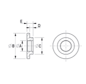
  • External diameter: dimension B of the drawing above. This value is not used enter 0 (dimension B of the drawing).
  • Collar diameter: dimension C of the drawing above. This value is not used, enter 0.
  • Thickness: dimension D of the drawing above. This value is not used enter 0.
  • Length: dimension E of the drawing. This value is not used, enter 0.
  • Dimension M: dimension A of the drawing above. Enter the value M here.
  • Material: material abbreviation. By opening the drop-down menu of the Material field, you see a list of all available materials and can choose the correct abbreviation.
  • Code: this code is useful for possible sub-families. At present, the BUI code must be used for all types of bushes.
  • Article: to select the material, use the article code of your management system. This value will allow the applications to retrieve the description and unit cost into the table Material Unit Cost by importing the list of materials available in your warehouse.